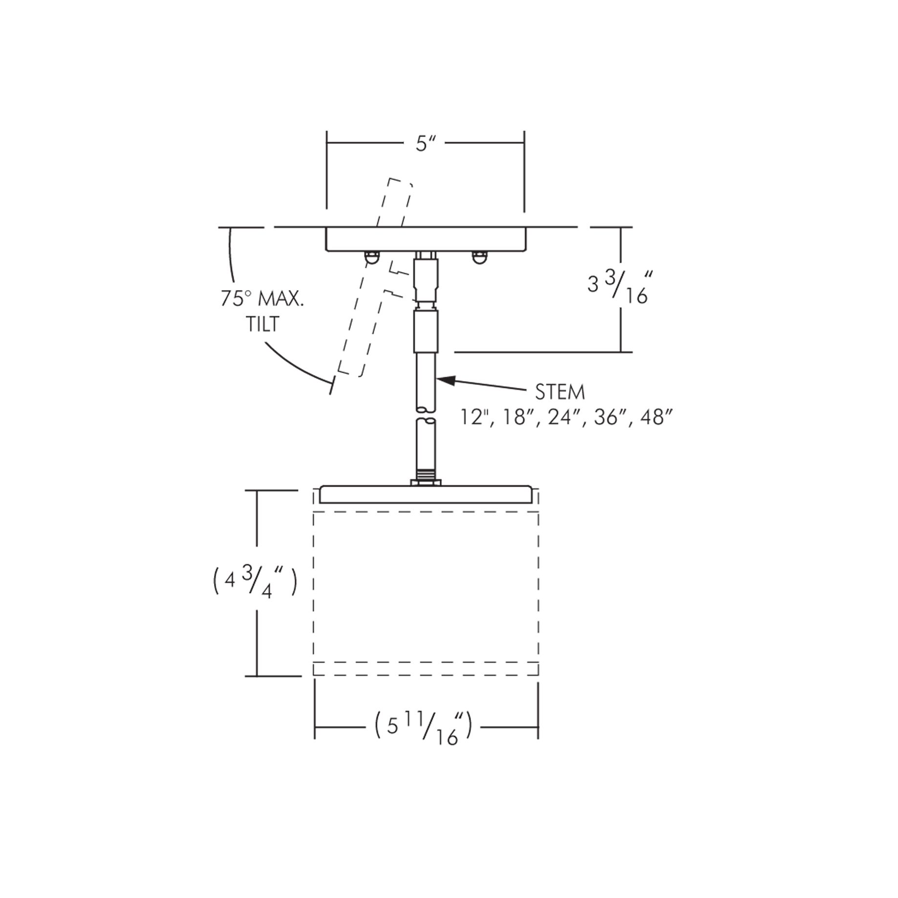
LPCMDL6 : 6" Adjustable Pendant Accessory (DL36 Series)