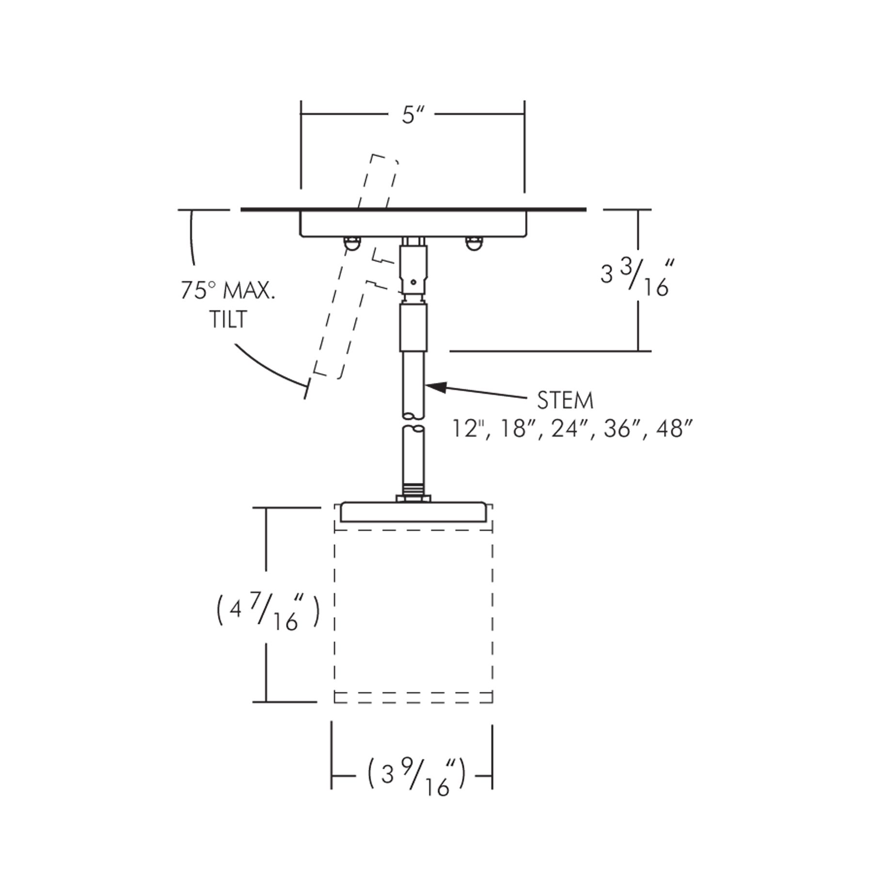
LPCMDL4 : 4" Adjustable Pendant Accessory (DL34 Series)