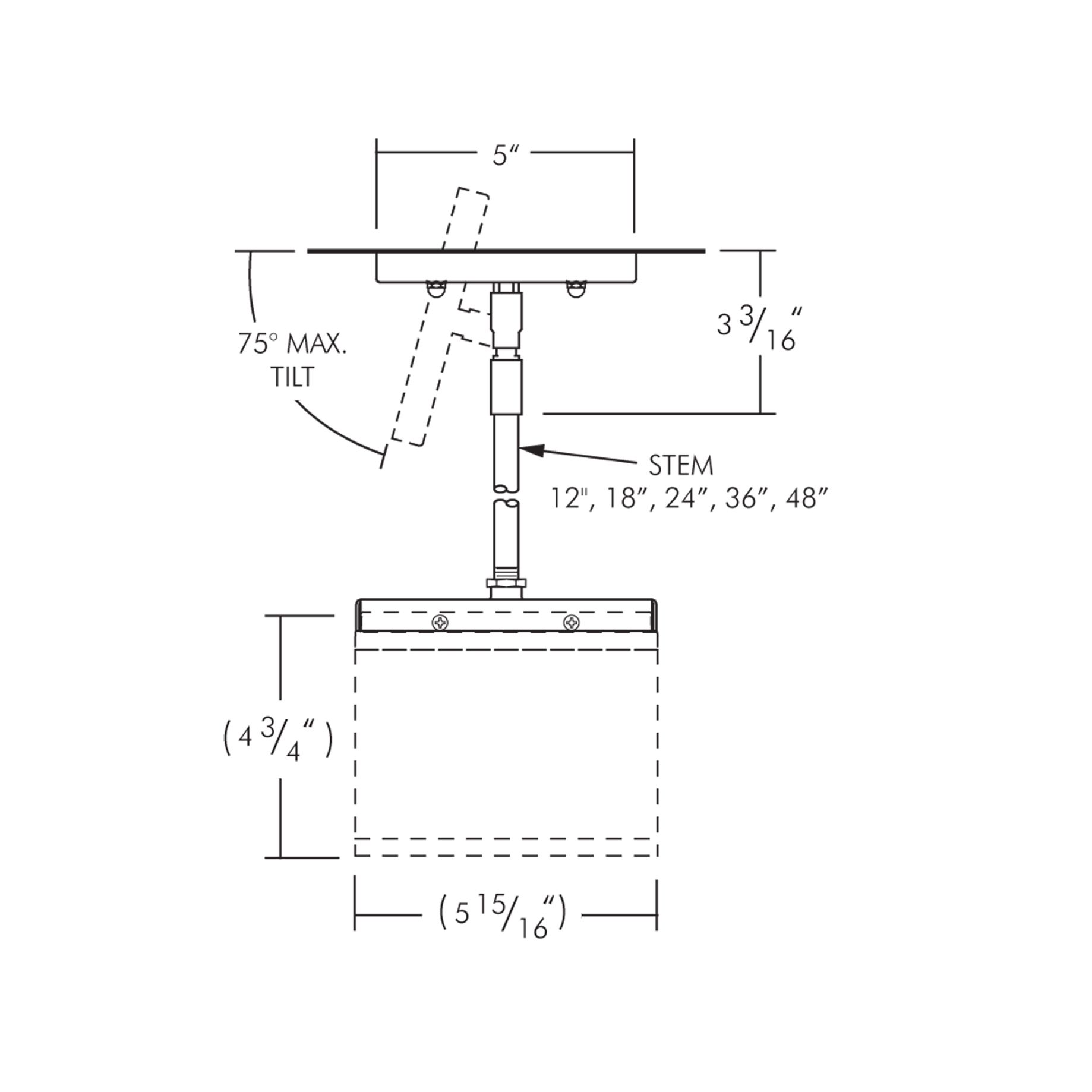
LPCMDLQ6 : 6" Adjustable Pendant Accessory (DLQ36 Series)